欢迎进入佰典旺(集團)有限公司官网
首页
Home
走进我们
Nav
产品中心
Nav
行业资讯
Nav
联系我们
Nav
企业文化
工作场景
荣誉证书
单极
双极
线性
磁性
锁存型
霍尔传感器
对射式
反射式
光电传感器
温湿度传感器
环境光传感器
气体传感器
火焰传感器
热释电传感器
红外测距传感器
其他传感器
各类传感器
发光二级管
激光二极管
硅光电二极管
光电二极管
红外接收
红外发射
光纤接收器
光纤发射器
红外数据传输器
接收/发射
注册
|
登录
按钮
点击下载
(详细资料请参照产品资料)
产品中心
霍尔传感器
— 单极
— 双极
— 线性
— 磁性
— 锁存型
光电传感器
— 对射式
— 反射式
各类传感器
— 温湿度传感器
— 环境光传感器
— 压力传感器
— 气体传感器
— 火焰探测器
— 热释电传感器
— 红外测距传感器
— 其他传感器
二极管
— 发光二极管
— 激光二极管
— 硅光电二极管
— 其他二极管
接受/发射
— 红外接收
— 红外发射
— 光纤接收器
— 光纤发射器
— 红外数据传输器
集成电路IC
产品详情
分享到:
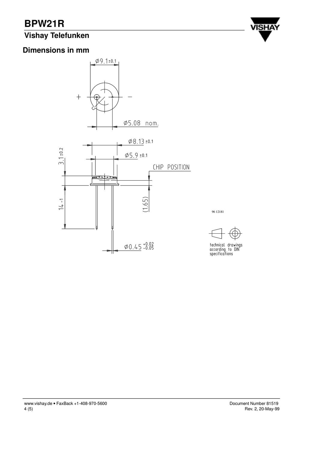
BPW21R 硅光电二极管
产品名称:
硅光电二极管
产品型号:
BPW21R
产品资料:
PDF链接
产品特点:
VISHAY 威世 DIP-3
上一个:
S1227-66BR 硅光电二极管
下一个:
HIH-4602-C 温湿度传感器
产品介绍
BPW21R
描述:医疗工业,相机中的光测传感器、光度计、色彩分析仪、暴露测量表和其他一般医疗/工业测量和控制应用
佰典旺简介
联系我们
0755-82549133
走进佰典旺
产品中心
关于我们
企业文化
工作场景
各类
传感器
荣誉证书
光电传感器
人才招聘
霍尔传感器
光电二极管
点击进入
佰典旺网上商城
Copyright © 2024 佰典旺(集團)有限公司. All Rights Reserved.
分享网站
微信
新浪微博
QQ分享
QQ空间
豆瓣网
百度贴吧
复制网址
脸书
X
在线客服
客服一
客服二
工作时间
周一至周五 :9:30-17:30
周六至周日 :9:30-17:00
联系方式
客服热线:0755-82549133
客服热线:0755-23482919